JLS-84/132A双位置继电器产品图片及应用范围-上海上继科技有限公司
发表时间:2019-10-28 20:33 浏览次数:722 〖返回〗
一、JLS-84/132A双位置继电器应用范围
JLS-84/132A静态双位置继电器用于交直流操作的各种保护与白动控制系统中,作为切换闭锁元件。
二、JLS-84/132A双位置继电器接线图

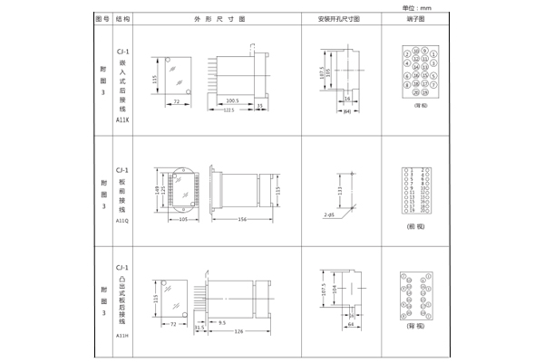
三、JLS-84/132A双位置继电器开孔尺寸

四、JLS-84/132A双位置继电器技术参数
1. 动作电压不大于额定电压的70%。
2. 动作电流不大于最小额定电流的80%。
3.在额定情动值下,动作时间不大于30mS。
4.功耗不大于6W。
5.触点性能
(1)触点断开容量
继电器在电压不大于250V,电流不大于1A, T=5±0.75mS的直流有感负荷电流中触点断开容量为50W:电压不大于250V,电流不大于250A,电流不大于5A的交流为5A。
(2)触点长期允许闭合电流为5A。
(3)继电器输入激励量为额定值时,触点电路在DL478-92 «静态继电保护及安全自动装置通用技术条件»4.6.1条规定负荷下,能可靠动作及返回,其寿命次数为105。
(4)绝缘电阻继电器的各导电电路连在一起与外露的非帯电金属部分及外壳之间,以及线圈电路与触点电路之间,用开路电压为500V的兆欧表测定,其绝缘电阻应不小于300M0。
(5)介质强度继电器各导电电路连在一起与外露的非带电金属部分及外壳之间,以及线圈电路与触点电流之间,应能承受2KV,50Hz的交流电历时1分钟试验,无绝缘击穿或闪络现象。
(6) 重量继电器的重量约为1Kg。
公司介绍:上海上继科技有限公司是一家专业从事电力系统继电保护及智能电网电力自动化产品的研发、设计、生产、销售和服务为一体的高科技公司。拥有资深继电保护专家团队和国内**的检测仪器及校验设备。同时还引用国内外先进技术,来进行技术创新。本公司的产品广泛用于电力、工矿、铁路、建筑等国家重大工程输配变电系统上,产品远销东南亚及中东地区。产品通过国家继电保护及自动化设备质量监督检验中心检测,获得ISO9001国际质量体系认证。“科技创新,诚信务实”是公司的经营理念,本公司以高超的技术支持和对用户高度负责的售后服务赢得了输配电成套企业的信赖,且树立了良好的信誉。
上海上继科技有限公司(专注电力保护继电器生产厂家)销售热线:021-57233089 QQ:1932551438
{以上内容仅供参考,上海上继科技有限公司有最终解释权}
更多继电器精彩文章——DX-15B/S信号继电器接线图及应用范围





