JY-AS/3电压继电器主要用途及产品图片-上海上继科技有限公司
发表时间:2019-09-23 21:23 浏览次数:709 〖返回〗
一、JY-AS/3电压继电器主要用途
JY-AS/3电压继电器用于发电机、变压器、输变电线路的继电保护装置中,作为过电压保护或低电压闭锁启动元件。
当提供辅助电源后,可完全代替DJ-100系列、 DY-20系列、 DY-30系列电磁型电压继电器。
本继电器为集成电路型,采用三位拨码开关整定电压值、直观方便、精度高、功耗小、无抖动、动作快、返回系数高。
二、JY-AS/3电压继电器型号命名及含义

三、JY-AS/3电压继电器主要技术参数
4.1 电压整定范围10V~399V,其它整定范围可按用户要求定做。
4.2 辅助电源AC/DC220V、110V、48V
4.3 功耗交流回路功耗小于2VA(**整定电压值时);直流回路功耗小于3W(出口继电器动作后)。
4.4 直流辅助电源允许变换范围0.8~1.15倍额定电压。
4.5 动作时间欠电压继电器:0.5倍整定值的动作时间不大于20mS。
过电压继电器:1.2倍整定值的动作时间不大于25mS。
2倍整定值的动作时间不大于20mS。
4.6 返回时间欠电压继电器返回时间不大于27mS;过电压继电器返回时间不大于27mS。
4.7 返回系数欠电压继电器返回系数1.04~1.08,过电压继电器的返回系数0.93~0.97。
4.8 整定误差额定值在10V至**值范围内,整定误差不大于2%;在极限温度下,10V以上任一整定值的误差不大于3%,在辅助电源极限变化范围内,10V以上任一整定值的误差不大于3%。
4.7 触点容量 继电器输出电路的触点能断开电压不大于250V,时间常数为5±0.75mS的直流有感负荷电路为50W,电压不大于250V的交流电路(功率因数COSΦ为0.4±0.1)为250VA。继电器触点可长期接通5A。
4.8 电寿命不低于105次。
4.9 机械寿命不低于106次。
4.10 介质强度继电器各导电端子连在一起,对外露非电带金属部分或外壳之间能承受2000V(有效值),50Hz的交流电压历时1分钟试验而无绝缘击穿或飞弧现象。
4.11 绝缘电阻继电器各导电端子连在一起,对外露非带电金属部分或外壳之间,用开路电压为500V的兆欧表测量其绝缘电阻不小于300MΩ。
4.12 工作环境条件温度-10℃~+50℃,相对湿度不大于90%,海拔高度不大于2000M。
4.13 抗干扰性能继电器的抗干扰负荷DL478-92《静态继电保护及安全自动装置通用技术条件》。
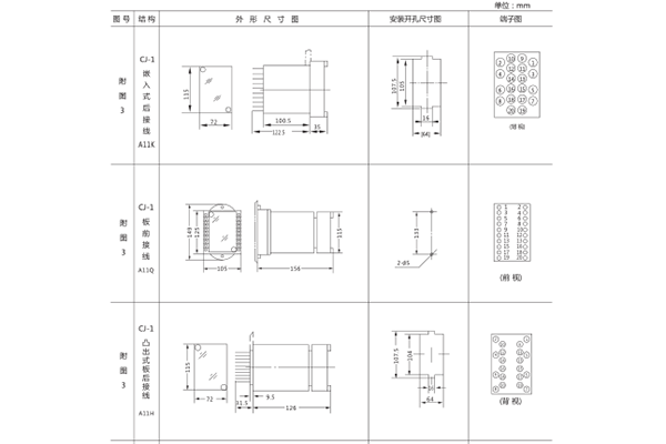
四、JY-AS/3电压继电器外形尺寸及开孔尺寸

公司介绍:上海上继科技有限公司是一家专业从事电力系统继电保护及智能电网电力自动化产品的研发、设计、生产、销售和服务为一体的高科技公司。拥有资深继电保护专家团队和国内**的检测仪器及校验设备。同时还引用国内外先进技术,来进行技术创新。本公司的产品广泛用于电力、工矿、铁路、建筑等国家重大工程输配变电系统上,产品远销东南亚及中东地区。产品通过国家继电保护及自动化设备质量监督检验中心检测,获得ISO9001国际质量体系认证。“科技创新,诚信务实”是公司的经营理念,本公司以高超的技术支持和对用户高度负责的售后服务赢得了输配电成套企业的信赖,且树立了良好的信誉。
上海上继科技有限公司(专注电力保护继电器生产厂家)销售热线:021-57233089 QQ:1932551438
{以上内容仅供参考,上海上继科技有限公司有最终解释权}
更多继电器精彩文章——DD-1/40接地继电器主要性能及技术要求





